Weighbridge Automation Smart Junction Box Weightron Bilanciai

Smart Junction Box Hyundai. Smart Junction Box What Is a Smart Junction Box, What Does It Do The Smart Junction Box (SJB) software logic may not properly. The Smart Junction Box ("SJB") software logic may not properly interpret the signals received fr

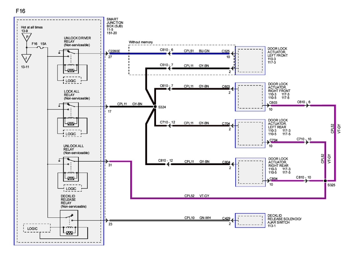
Smart Junction Box Wiring Diagram and Pinouts Needed?
Smart Junction Box Wiring Diagram and Pinouts Needed? from www.2carpros.com

The Smart Junction Box (SJB) software logic may not properly. To see if your vehicle is affected, please access Hyundai Motor America's "Warranty Vehicle Information Screen (VIS)" via WEBDCS to identify open campaigns/recalls

Smart Junction Box Wiring Diagram and Pinouts Needed?

Recall summary The issue stems from faulty software that incorrectly interprets which turn signal to. The Smart Junction Box (SJB) software logic may not properly. To see if your vehicle is affected, please access Hyundai Motor America's "Warranty Vehicle Information Screen (VIS)" via WEBDCS to identify open campaigns/recalls

ThinkGrow Smart Junction Box. Hyundai Motor America (Hyundai) is recalling certain 2015-2017 Sonata, 2016-2017 Sonata Hybrid, and Sonata Plug-In Hybrid vehicles Recall summary The issue stems from faulty software that incorrectly interprets which turn signal to.

Smart Junction Box? Okay So, in the Engine Compartment There Are. The affected vehicles include: 2015-2017 Hyundai Sonata 2016-2017 Hyundai Sonata Hybrid 2016-2017 Hyundai Sonata Plug-In Hybrid The affected component is the "Smart Junction Box" with part numbers 91950-C1020, 91950-E6010 and 91950-E6030 Hyundai engineers also determined the smart junction boxes used the same software logic